簡體中文 English

ABT
   您現在的位置是>>首頁>>資訊中心>>各國電源線标準及所有插頭參數

各國電源線标準及所有插頭參數


行業:電源适配器生産廠家  刷新日期:2025年02月24日  發布日期:2007年08月29日  本站網址:www.jldyxgc.cn


   

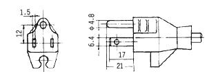
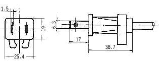
1.中國電源線标準及所有插頭參數
電源适配器插頭電源适配器插頭圖紙
   
227IEC42(RVB)2×0.5mm2   6A250V
227IEC42(RVB)2×0.75mm2  6A250V
227IEC52(RVV)2×0.5mm2   6A250V
227IEC52(RVV)2×0.75mm2  6A250V
------------------------------------------------------------------------------
  電源适配器插頭電源适配器插頭圖紙
227IEC52(RVV) 2×0.75mm2 6A250V
227IEC53(RVV) 2×0.75mm2 6A250V
227IEC53(RVV) 2×1.0mm2  10A250V
--------------------------------------------------------------------------
電源适配器插頭電源适配器插頭圖紙
227IEC42(RVB)2×0.5mm2   6A250V
227IEC42(RVB)2×0.75mm2  6A250V
227IEC52(RVV)2×0.5mm2   6A250V
227IEC52(RVV)2×0.75mm2  6A250V
----------------------------------------------------------------------------
電源适配器插頭電源适配器插頭圖紙
227IEC52(RVV)3×0.5mm2   6A250V
227IEC52(RVV)3×0.75mm2  6A250V
227IEC53(RVV)3×0.75mm2  6A250V
227IEC53(RVV)3×1.0mm2   10A250V
-----------------------------------------------------------------------
電源适配器插頭電源适配器插頭圖紙
227IEC52(RVV)3×0.5mm2   6A250V
227IEC52(RVV)3×0.75mm2  6A250V
227IEC53(RVV)3×0.75mm2  6A250V
227IEC53(RVV)3×1.0mm2   10A250V
-----------------------------------------------------------------------
電源适配器插頭電源适配器插頭圖紙
227IEC52(RVV)3×0.5mm2   6A250V
227IEC52(RVV)3×0.75mm2  6A250V
227IEC53(RVV)3×0.75mm2  6A250V
227IEC53(RVV)3×1.0mm2   10A250V
RX 300/300V    3×0.75mm2  6A250V
RX 300/300V    3×1.0mm2   10A250V
------------------------------------------------------------------------
 
 
 
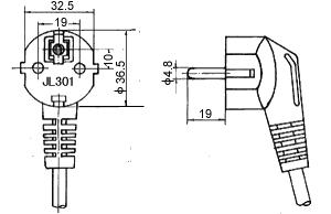
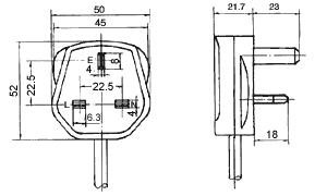
2.歐洲電源線标準及所有插頭參數
-------------------------------------------------------------------------
 電源适配器插頭認證圖标歐規電源适配器插頭電源适配器插頭
H03VVH2 -F  2X0.5mm2   10/16A250V
H03VVH2 -F  2X0.75mm2  10/16A250V
H03VV -F 2X0.5mm2   10/16A250V
H03VV -F  2X0.75mm2  10/16A250V
H05VVH2 -F  2X0.75mm2  10/16A250V
H05VVH2 -F  2X1.0mm2  10/16A250V
--------------------------------------------------------------------------
電源适配器插頭電源适配器插頭圖紙
 
電源适配器插頭電源适配器插頭
H05VV-F  2X0.75mm2 10/16A250V
H05VV-F  2X1.0mm2 10/16A250V
H03VVH2-F  2X0.5mm2  2.5A250V
H03VVH2 -F  2X0.75mm2 2.5A250V
H03VV -F  2X0.5mm2  2.5A250V
H03VV -F  2X0.75mm2 2.5A250V
H05VVH2 -F  2X0.75mm2 10A250V
H05VVH2 -F  2X1.0mm2 10A250V
H05VV -F  2X0.75mm2 10A250V
H05VV -F  2X1.0mm2 10A250V
--------------------------------------------------------------------
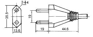
電源适配器插頭電源适配器插頭
H03VV -F 3G0.5mm2  10/16A250V
H03VV -F 3G0.75mm2 10/16A250V
H05VV -F 3G0.75mm2 10/16A250V
H05VV -F 3G1.0mm2 10/16A250V
H05VV -F 3G1.5mm2 10/16A250V
------------------------------------------------------------------------
電源适配器插頭電源适配器插頭圖紙
H03VV -F 3G0.5mm2  10/16A250V
H03VV -F 3G0.75mm2 10/16A250V
H05VV -F 3G0.75mm2 10/16A250V
H05VV -F 3G1.0mm2 10/16A250V
H05VV -F 3G1.5mm2 10/16A250V
--------------------------------------------------------------------------
電源适配器插頭電源适配器插頭圖紙
H03VV -F  3G0.5mm2  10A250V
H03VV -F  3G0.75mm2 10A250V
H05VV -F  3G0.75mm2 10A250V
H05VV -F  3G1.0mm2 10A250V
-------------------------------------------------------------------------
電源适配器插頭電源适配器插頭圖紙
H03VV -F  3G0.5mm2  10A250V
H03VV -F  3G0.75mm2 10A250V
H05VV -F  3G0.75mm2 10A250V
H05VV -F  3G1.0mm2 10A250V
-------------------------------------------------------------------------
電源适配器插頭電源适配器插頭圖紙
227IEC52(RVV) 3X0.75mm2 10A250V
227IEC53(RVV) 3X0.75mm2 10A250V
227IEC53(RVV) 3X1.0mm2 10A250V
H03VV -F 3G0.75mm2 6A250V
H05VV -F 3G0.75mm2 10A250V
H05VV -F 3G1.0mm2 10A250V
-------------------------------------------------------------------------
電源适配器插頭電源适配器插頭圖紙
227IEC52(RVV) 3X0.75mm2 10A250V
227IEC53(RVV) 3X0.75mm2 10A250V
227IEC53(RVV) 3X1.0mm2 10A250V
H03VV -F 3G0.75mm2 6A250V
H05VV -F 3G0.75mm2 10A250V
H05VV -F 3G1.0mm2 10A250V
-------------------------------------------------------------------------
 
 
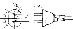
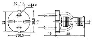
3.澳大利亞電源線标準及所有插頭參數
-------------------------------------------------------------------------
電源适配器插頭電源适配器插頭圖紙
H05VVH2 -F 2X0.75mm2 7.5A250V
H05VV -F 2X0.75mm2 7.5A250V
H05VV -F 2X1.0mm2 10A250V
-------------------------------------------------------------------------
電源适配器插頭電源适配器插頭
H05VVH2 -F 2X0.75mm2 7.5A250V
H05VV -F 2X0.75mm2 7.5A250V
H05VV -F 2X1.0mm2 10A250V
-------------------------------------------------------------------------
電源适配器插頭電源适配器插頭圖紙
H05VV -F 3G0.75mm2 7.5A250V
H05VV -F 3G1.0mm2 10A250V
H05VV -F 3G1.5mm2 15A250V
-------------------------------------------------------------------------
 
 
 
4.美國電源線标準及所有插頭參數
-------------------------------------------------------------------------
電源适配器插頭電源适配器插頭
SPT-1 18AWG/2C
SPT-2 18AWG/2C
SPT-2 16AWG/2C
SPT-3 18AWG/2C
SPT-3 16AWG/2C
SVT 18AWG/2C
SVT 17AWG/2C
NISPT-1 18AWG/2C
NISPT-2 18AWG/2C
-------------------------------------------------------------------------
電源适配器插頭電源适配器插頭
SVT 18AWG/2C
SVT 17AWG/2C
ST 18AWG/2C
ST 16AWG/2C
SJT 18AWG/2C
SJT 16AWG/2C
NISPT-1 18AWG/2C
NISPT-2 18AWG/2C
-------------------------------------------------------------------------
電源适配器插頭電源适配器插頭
SVT 18AWG/2C
SVT 17AWG/2C
SVT 18AWG/2C(齒形)
SVT 17AWG/2C(齒形)
ST 18AWG/2C
ST 16AWG/2C
-------------------------------------------------------------------------
電源适配器插頭電源适配器插頭
SPT-1 18AWG/3C
SPT-2 18AWG-16AWG/3C
SPT-3 18AWG-16AWG/3C
SVT 18AWG- 17AWG/3C
SVT 18AWG-17AWG/3C(齒形)
ST 18AWG-16AWG/3C
SJT  18AWG-16AWG/3C
-------------------------------------------------------------------------
電源适配器插頭電源适配器插頭
SVT 18AWG/3C
SVT 17AWG/3C
SVT 18AWG/3C(齒形)
SVT 17AWG/3C(齒形)
ST 18AWG/3C
ST 16AWG/3C
SJT  16AWG/3C
SJT  18AWG/3C
-------------------------------------------------------------------------
 
 
 
5.日本電源線标準及所有插頭參數
-------------------------------------------------------------------------
電源适配器插頭電源适配器插頭
電源适配器插頭
VFF 2X0.75mm2 7A125V
VCTF 2X0.75mm2 7A125V
VCTFK 2X0.75mm2 7A125V
-------------------------------------------------------------------------
 
 
 
6.以色列電源線标準及所有插頭參數
-------------------------------------------------------------------------
電源适配器插頭電源适配器插頭   
H03VV-F 3G0.75mm2
H05VV-F 3G0.75mm2
H05VV-F 3G1.0mm2
H05VV-F 3G1.5mm2
-------------------------------------------------------------------------
 
 
 
7.南非電源線标準及所有插頭參數
-------------------------------------------------------------------------
電源适配器插頭電源适配器插頭
H03VV-F 3G0.75mm2
H05VV-F 3G0.75mm2
H05VV-F 3G1.0mm2
H05VV-F 3G1.5mm2
-------------------------------------------------------------------------
 
 
 
8.英國電源線标準及所有插頭參數
-------------------------------------------------------------------------
電源适配器插頭電源适配器插頭
H03VV-F 3G0.5mm2
H03VV-F 3G0.75mm2
H05VV-F 3G0.75mm2
H05VV-F 3G1.0mm2
H05VV-F 3G1.5mm2

上一篇:各種充電電池和充電器基本知識

本 篇:各國電源線标準及所有插頭參數

下一篇:歐盟CoC V5和美國DoE VI六級能效标準簡述

 

㊟ 如需轉載請注明出處(chù)!本文鏈(liàn)接地址:http://www.jldyxgc.cn/gsxw-chatou.htm

abt

 
    廣東奧博特實業有限公司
     聯系方式
 産品中心
 關於我們
a Guangdong ABT INdustrial Co.,Ltd
a 電(diàn)話(huà) : 0086-755-28703310
a All Rights Reserved 
a 傳(chuán)真 : 0086-755-28513310
a 友情鏈(liàn)接請聯(lián)系QQ;418636498
a 郵(yóu)箱 : itxpower@itxpower.net sales@itxpower.net
a 未經許可不得轉載,複(fù)制或摘編(biān),違者必究!
a 地址 : 廣東(dōng)省深圳市龍崗(gǎng)區坪地鎮坪西社區吉利路2号